NETWORK SCIENCES
Home About Us Conflict Minerals Contact Us Crystal & LC Filters Monolithic Xtal Filter Case Codes Tutorials  Quote Form Customer Survey Alpha Components

Last Revised 010/13/2015 10:36:05 AM

Web Master

Today's date is Local time is:

3382 W. Osborn Rd, Phoenix, AZ 85017

Phone: 602-258-8095:  Fax: 602-278-7033

E-Mail: info@networksciences.com

Our High Frequency Series Monolithic Crystal Filters

Type

#

Nominal

Freq. MHz

Pole

Pass Band

Attenu.

Band

Ripple

max

(dB)

Loss

max

(dB)

Attenuation

Guaranteed

Terminal

Impedance

ohm//pF

Operating

Temp.

Case

dB

kHz

dB

kHz

dB

Fo-±kHz

45M17A

45.000

2

3

±3.75

10

±12.5

1.0

2.5

65

±910

2.5K//-0.5

-20~+70

UM-1

45M17B

45

4

3

±3.75

30

±12.5

1

4

90

±910

2.5K//-0.5

-20~+70

UM-1   X2

45M15A

45.000

2

3

±7.5

18

±28.0

1.0

2.0

35

+500~+1000

-200~-1000

4K//-1.0

-20~+70

UM-1

45M15B

45.000

4

3

±7.5

40

±30.0

1.0

3.0

70

+500~+1000

-200~-1000

4K//-1.0

-20~+70

UM-1   X2

45M20A

45.000

2

3

±10.0

15

±30.0

1.0

2.0

70

+500~+1000

-200~-1000

5K//-1.0

-20~+70

UM-1

45M20B

45.000

4

3

±10.0

35

±40.0

1.0

3.0

70

+500~+1000

-200~-1000

5K//-1.0

-20~+70

UM-1

X2

45M30A

45.000

2

3

±15.0

15

±50.0

1.0

2.0

30

+500~+1000

-300~-1000

8K//-1.0

-20~+70

UM-1

45M30B

45.000

4

3

±15.0

30

±50.0

1.0

3.0

70

+500~+1000

-300~1000

8K//-1.0

-20~+70

UM-1

X2

3rd Overtone 45 MHz Series

Type

#

Nominal

Freq. MHz

Pole

Pass Band

Attenu.

Band

Ripple

max

(dB)

Loss

max

(dB)

Attenuation

Guaranteed

Terminal

Impedance

ohm//pF

Opera

ting

Temp.

Case

dB

kHz

dB

kHz

dB

Fo-±kHz

70U15A

70.000

2

3

±7.5

15

±30.0

1.0

2.0

35

+500~+1000

-200~-1000

2.0K//-1.0

-20~+70

UM-1

70U15B

70.000

4

3

±7.5

25

±25.0

1.0

3.0

70

+500~+1000

-200~-1000

2.0K//-1.0

-20~+70

UM-1

X2

70U20A

70.000

2

3

±10.0

15

±40.0

1.0

2.0

35

+500~+1000

-200~-1000

2.5K//-1.0

-20~+70

UM-1

70U20B

70.000

4

3

±10.0

35

±40.0

1.0

3.0

70

+500~+1000

-200~-1000

2.5K//-1.0

-20~+70

UM-1

X2

70U30A

70.000

2

3

±15.0

15

±50.0

1.0

2.0

35

+500~+1000

-300~-1000

4K//-1.0

-20~+70

UM-1

70U30B

70.000

4

3

±15.0

30

±50.0

1.0

3.0

70

+500~+1000

-300~-1000

4K//-1.0

-20~+70

UM-1

X2

3rd Overtone 70 MHz Series

Type

#

Nominal

Freq. MHz

Pole

Pass Band

Attenu.

Band

Ripple

max

(dB)

Loss

max

(dB)

Attenuation

Guaranteed

Terminal  

Impedance

ohm//pF

Operating

Temp.

Case

dB

kHz

dB

kHz

dB

Fo-±kHz

90U15A3

90.000

2

3

±7.5

15

±30.0

1.0

2.0

35

+500~+1000

-200~-1000

1.4K//-.0

-20~+70

UM-1

90U15B3

90.000

4

3

±7.5

25

±25.0

1.0

3.5

70

+500~+1000

-200~-1000

1.4K//-.0

-20~+70

UM-1

X2

90U20A3

90.000

2

3

±10.0

15

±40.0

1.0

2.0

35

+500~+1000

-200~-1000

1.5K//-1.0

-20~+70

UM-1

90U20B3

90.000

4

3

±10.0

35

±40.0

1.0

3.0

70

+500~+1000

-200~-1000

1.5K//-1.0

-20~+70

UM-1

X2

90U30A3

90.000

2

3

±15.0

15

±50.0

1.0

2.0

35

+500~+1000

-300~-1000

4K//-1.0

-20~+70

UM-1

90U30B3

90.000

4

3

±15.0

25

±50.0

1.0

3.0

70

+500~+1000

-300~-1000

4K//-1.0

-20~+70

UM-1

X2

 3rd Overtone 90 MHz Series

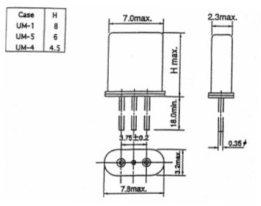
DIMENSIONS (mm)