Home About Us Conflict Minerals Contact Us Crystal & LC Filters Monolithic Xtal Filter Case Codes Tutorials  Quote Form Customer Survey Alpha Components
NETWORK SCIENCES

Last Revised 010/13/2015 10:36:05 AM

Web Master

Today's date is Local time is:

3382 W. Osborn Rd, Phoenix, AZ 85017

Phone: 602-258-8095:  Fax: 602-278-7033

E-Mail: info@networksciences.com

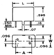
Cases A-1, -2, -3, -4, -5


Case

L

H

W

A

B

Type

A-1

0.432

0.450

0.185

0.192

0.018

HC-49/3

A-2

0.300

0.300

0.100

0.114

0.018

HC-49T/3

A-3

0.432

0.53

0.185

0.192

0.018

HC-49N/3

A-4

0.75

0.760

0.345

0.486

0.030

HC-51/3

A-5

0.560

0.635

0.230

0.275

0.030

HC-32/3

Case

L

W

A

B

0.590

0.470

0.354

C

0.745

0.496

0.528

Cases B and C

Pin Dia. 0.018 (4 pins)

Cases D thru N

(1) The listed Filter package heights are standard. The height can vary from 1/10" to 0.400" depending on the filter frequency.

(2) 4-40 x .22 studs may be substituted for ground pins on case D thru case I. 0.050" to 0.020" terminal are available for special applications.


Case

L

W

H(1)

A

B

C

D

E(2)

D

3.20

1.20

.091

0.20

0.20

0.80

2.80

.040

E

2.98

1.00

0.91

0.22

0.22

0.56

2.54

.040

F

2.80

1.00

0.71

0.22

0.22

0.56

2.36

.040

G

2.38

1.00

0.75

0.22

0.22

0.56

1.94

.040

H

2.18

1.00

0.75

0.22

0.22

0.56

1.74

.040

I

2.18

0.75

0.75

0.20

0.20

0.38

1.8

.040

J

1.75

0.63

0.54

0.13

0.13

0.40

1.49

.030

K

1.61

1.01

0.54

0.13

0.13

0.75

1.35

.030

L

1.50

0.75

0.54

0.13

0.13

0.49

1.24

0.30

M

1.20

0.61

0.45

0.13

0.13

0.35

0.94

.030

N

1.00

0.50

0.50

0.13

0.13

0.25

0.74

.030

Connector Style

Connector Code

Cases

A-1 thru C

Cases

D thru I

Cases  

J thru N

BNC Jack

BJ


.072


BNC Plug

BP


0.88


TNC Jack

TJ


0.75


TNC Plug

TP


0.85


SMA Jack

SJ


0.38

0.38

SMA Plug

SP


0.5

0.5

PC Mounting

PC

See above

0.38

0.38

Sealectro J

OJ


0.38

0.38

Special

XX

Contact factory

(3) Length shown is measurement of connector projection beyond the package length or height. Lengths are not shown for Case/Connector combinations which are not recommended.

Connector Selection Guide

Connector Length in Inches (3)

RF Filter Packages (Case Codes)